扩散硅压力樱桃视频入口在线观看产品概述
系列压力樱桃视频入口在线观看具有工作可靠、性能稳定、安装使用方便、体积小、重量轻、性能价格比高等特点,能在各种正负压力测量中得到**运用。
系列压力樱桃视频入口在线观看采用进口扩散硅或陶瓷芯体作为压力检测元件,传感器信号经高性能电子放大器转换成0~ 10mA或4~ 20mA统一输出信号。可替代传统的远传压力表、霍尔元件、差动樱桃视频入口在线观看,并具有DDZ- I及DDZ- II型樱桃视频入口在线观看性能。能与各种型号的动圈式指示仪、数字压力表、电子电位差计配套使用,也能与各种自动调节系统或计算机系统配套使用。**用于电力、石化、机械、冶金等行业及各种能源计量领域
扩散硅压力樱桃视频入口在线观看主要技术参数
|
精度等级
|
0.3级基本误差+0.3%
|
输出特性
|
①0~ 10mA输出,负载电阻0~ 1.5KO !②4- -20mA输出,负载电阻0 ~ 6000③恒流输出内阻大于10MO④二线制4-20mA输出
|
|
0.5级基本误差+0.5%
|
标准供电
|
DC24V
|
|
非线性误差
|
0.3级≤+0.3% FS
|
防爆标志
|
(RPT- II ): Exia I CT4-6
|
|
0.5级≤+0.5% FS
|
|
|
|
滞后误差
|
≤士0.3% FS
|
|
|
|
不灵敏区
|
≤+0.3% FS
|
|
|
扩散硅压力樱桃视频入口在线观看测量范围
表 压:0-5kPa ~ 100MPa
绝 压:0-20kPa ~ 100MPa
密封表压:0-7MPa ~ 120MPa
负 压: -100kPa ~ 700kPa
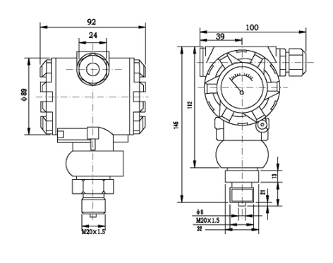
扩散硅压力樱桃视频入口在线观看外形尺寸

扩散硅压力樱桃视频入口在线观看选型
扩散硅压力樱桃视频入口在线观看电气连接


扩散硅压力樱桃视频入口在线观看订货须知
用户订货需注明型号与测量范围
用户应注明介质名称、温度等相关参数被测介质与传感器和密封圈可共存
更洋细的使用和安装请参阅随机使用说明书
上一条:
单法兰压力樱桃视频入口在线观看
下一条:
数显压力樱桃视频入口在线观看