差压液位计
- RZ3051-DP差压液位计的3种应用测量方式:(1) 差压液位计与节流装置相结合,根据节流装置前后产生的差压值换算流速(2) 利用液体自身重力产生的压力差,测量液体的高度(3) 直接测量不同管道、密···
在线咨询

- 质量稳定
- 价格合理
- 交货快捷
- 樱桃视频APP下载网址仪表为您提供全套液位计系列解决方案
- 销售:0517-86917118 15601403222 、 13915181149
- 传真:0517-86917118
- 地址:江苏省淮安市金湖县金荷路201号
在线咨询
|
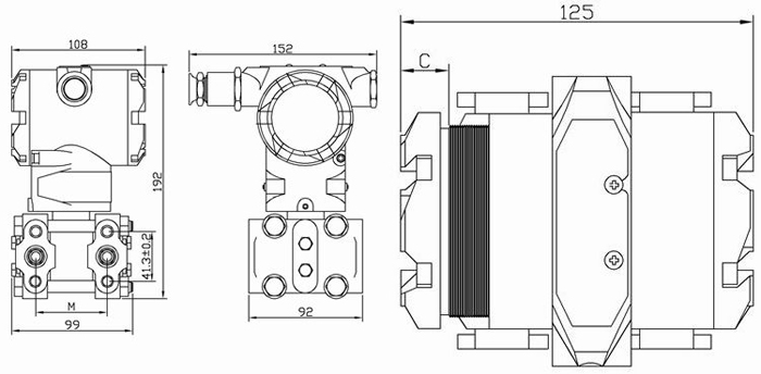
RZ3051-DP差压液位计的3种应用测量方式: (1) 差压液位计与节流装置相结合,根据节流装置前后产生的差压值换算流速 (2) 利用液体自身重力产生的压力差,测量液体的高度 (3) 直接测量不同管道、密闭带压容器的压力差值从而换算出液位高度。 RZ3051-DP系列差压液位计采用模块化设计,由带集成电子适配单元的传感器模块和就地按钮单元的放大器模块组成,其中传感器模块包括差压传感器、绝压传感器、温度传感器,可同时测量差压、绝压、仪表温度,因此RZ3051-DP系列差压液位计具有非常优异的静压特性和温度特性。 |
| RZ3051-DP差压液位计特点----------------------------------------------------------------------------------- |
|
·具有很强的自诊断能力 量程覆盖宽0-0.1KPa~40.0MPa ·精度0.075级,量程比100:1 零点和量程调整互不影响 ·兼有远程和本地量程、零点调整 具有很强的数据保护和恢复机制 ·稳定性能好,精度高,阻尼可调,抗单向过载能力强 ·无机械传动部件,维修工作量少,坚固抗振 ·全部通用件,更换传感器不影响樱桃视频入口在线观看特性,维护更方便 ·接触介质的膜片材料可选择 防爆壳体结构 ·二线制,符合HART协议,可与HART275型及375型手操器进行数字通信而不中断模拟量输出 |

---------------------------------------------------------------------------------------------------- |
|
||||||||
----------------------------------------------------------------------------------------------------- |
||||||||||||||||||||||||||||||||||||||||||||||||||||||||||
|
||||||||||||||||||||||||||||||||||||||||||||||||||||||||||
|
||||||||||||||||||||||||||||||||||||||||||||||||||||||||||


